1、采集雨量脉冲数据
2、定时采集水位、流量、风速、风向、温度、湿度等数据
3、定时上报水位、流量、风速、风向、温度、湿度等数据
4、本地存储雨量、水位、流量、风速、风向、温度、湿度等数据
5、支持预警触发加报雨量、水位、流量等数据
6、支持远方较时功能支持本地或远程查询历史数据
7、支持远方控制输出功能
8、支持远程召测功能
9、支持远方控制输出功能
10、支持图片抓拍功能
11、支持本地人工置数功能
12、支持电池电压上报功能
13、支持设备运行工况上报功能
|
UTECH•YDJ-2型遥测终端机
|
|
产品中心
![]()
功能中心
荣誉证书
产品详情
说明书
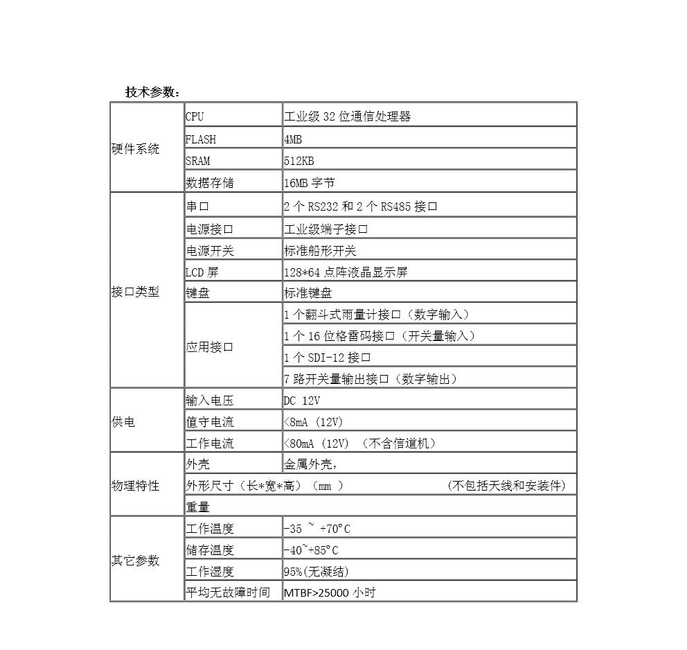
YDJ-2型遥测终端机是武汉联宇技术股份有限公司研发的一种高性能信息采集装置,集数据采集、显示、存储、通信和远程管理等 功能于一体。具有多种传感器接口,可监测水位、雨量、流量、风速风向、气温气压等多种参数,适用于山洪预警、水文遥测、气象 监测、水资源管理、中小河流治理、灌区信息化等项目。 规约检测 该装置已通过水利部水文仪器及岩土工程仪器质量监督检验测试中心型式检验 通过水利部水文仪器及岩土工程仪器质量监督检验测试中心《水文监测数据通信规约》规约检测 通过水利部水文仪器及岩土工程仪器质量监督检验测试中心《水资源监控管理系统数据传输规约》规约检测 获得湖北省质量技术监督局颁发的工业产品生产许可证水文仪器(鄂XK07-002-00005)。
1、采集雨量脉冲数据 2、定时采集水位、流量、风速、风向、温度、湿度等数据 3、定时上报水位、流量、风速、风向、温度、湿度等数据 4、本地存储雨量、水位、流量、风速、风向、温度、湿度等数据 5、支持预警触发加报雨量、水位、流量等数据 6、支持远方较时功能支持本地或远程查询历史数据 7、支持远方控制输出功能 8、支持远程召测功能 9、支持远方控制输出功能 10、支持图片抓拍功能 11、支持本地人工置数功能 12、支持电池电压上报功能 13、支持设备运行工况上报功能 产品特点 工业一体化设计 产品由高性能的工业级32位中央处理器、存储单元、通讯接口、传感接口、键盘及液晶显示等组成,以嵌入式实时操 作系统为软件支撑平台,宽温设计,耐高低温,耐强电磁干扰,适用于各种恶劣的现场设备通过传感接口采集水文信 息,通过中央处理器进行数据处理,存入存储单元,通过通讯接口与中心站进行数据通信。 接口丰富 提供1个翻斗式雨量计接口、1个12位格雷码接口、2个RS232接口、2个RS485接口、1个SDI-12接口、7路开关量输 出接口,可接入雨量、水位、流量、温度、风速风向等多种传感器,并可根据用户需求扩展传感器,满足不同水文或 水资源及它领域需求。 支持多种通讯方式 GPRS/CDMA/3G/4G为主传输通道、短信为备份传输通道;可选北斗、卫星、PSTN、超短波、微波等通信方式。 配置大容量存储空间 配有4mb大容量存储模块,可存储两年的固态数据。 支持多种管理配置方案 配有键盘和液晶显示器,支持现场或远程参数查看及修改。 支持低功耗配置方案 低功耗设计,支持休眠和唤醒模式,响应远方召测。 保障数据安全设计 本地及远方固态数据提取;具备补发数据功能(主备信道通信均失败时,存储数据等待下次发送)。 支持设计拓展及研发 可根据客户要求规约研发、设计、生产定制。 |
|
| [返 回] | |